Доставка
- Доставка по Санкт-Петербургу в пределах КАД до подъезда – бесплатно
- Доставка в регионы до терминала транспортной компании – бесплатно
Оплата
- наличными при оплате в магазине
- карточками Viza и MasterCard
- оплата по счету
- безналичный расчет (для юр. Лиц)
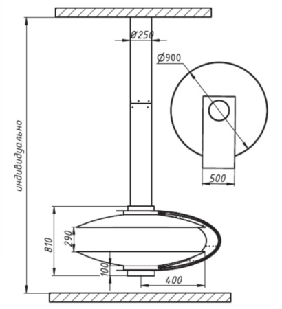
Подвесной камин AVES 25 НОВАРА — эффектный центральный очаг с индивидуальным стилем
AVES 25 НОВАРА — это элегантный и выразительный центральный подвесной камин, созданный для любителей современного дизайна и нестандартных интерьерных решений. Модель привлекает внимание лаконичной формой и гармонией пропорций, идеально подчеркивающей пространство вокруг.
Конструкция не предусматривает вращения, что делает камин устойчивым и надежным в эксплуатации, особенно в проектах с жестко заданным направлением обзора. При этом декоративный элемент может быть окрашен по индивидуальному заказу, что позволяет адаптировать камин под цветовую гамму и стиль помещения.
В базовом исполнении камин представлен в чёрном цвете, который отлично сочетается как с тёплыми фактурами дерева и природных материалов, так и с минималистичным окружением из бетона, стекла и металла.
Почему стоит выбрать AVES 25 НОВАРА:
- Эффектная центральная подвесная конструкция — подходит для размещения в центре зала
- Возможность индивидуальной окраски — под ваш интерьер
- Без механизма вращения — максимальная стабильность
- Стильное решение для интерьеров в духе лофт, минимализм, хай-тек
- Идеален для дома, дачи или общественного пространства с акцентом на дизайн
Хотите купить подвесной камин в Санкт-Петербурге с доставкой и установкой «под ключ»? Обратитесь в Kaminru.ru — специалисты подберут оптимальную конфигурацию, расскажут о возможностях адаптации под интерьер и организуют профессиональный монтаж.
Адрес шоурума: г. Санкт-Петербург, ул. Мебельная, 2, ТЦ ЦЕНТРАЛ. Телефон для консультации: 8-960-260-15-87
Kaminru.ru — дизайнерские камины, которые вдохновляют и согревают.
|
Категория
|
Готовый камин, Островные и подвесные камины |
|
Производитель
|
Aves (Россия) |
|
Тип топлива
|
Дрова, Брикеты |
|
Ширина
|
900 мм |
|
Глубина
|
900 мм |
|
Высота
|
идивидуальная |
|
Стекло
|
Прямое |
|
Мощность
|
7 кВт |
|
Диаметр дымохода
|
250 мм |
|
Тип расположения
|
Подвесной, Пристенный |
|
Подключение дымохода
|
Верхнее |
|
Материал корпуса
|
Сталь |
Для покупки товара в нашем интернет-магазине выберите понравившийся товар и добавьте его в корзину. Далее перейдите в Корзину и нажмите на «Оформить заказ» или «Быстрый заказ».
Когда оформляете быстрый заказ, напишите ФИО, телефон и e-mail. Вам перезвонит менеджер и уточнит условия заказа. По результатам разговора вам придет подтверждение оформления товара на почту или через СМС. Теперь останется только ждать доставки и радоваться новой покупке.
Оформление заказа в стандартном режиме выглядит следующим образом. Заполняете полностью форму по последовательным этапам: адрес, способ доставки, оплаты, данные о себе. Советуем в комментарии к заказу написать информацию, которая поможет курьеру вас найти. Нажмите кнопку «Оформить заказ».
По Санкт-Петербургу в пределах КАД до подъезда – бесплатно
В регионы бесплатная доставка до терминала транспортной компании.
по России за 24 часа
всем покупателям
и стандартам качества

